TRF receiver for AC
Metal housing in black crackle with a green surface underneath. Separate lid with two brass ornaments that can be used to lift the lid. Bakelite knobs and oak side panels. The receiver was made by Van der Heem & Bloemsma in The Hague.  
The two big knobs on the front are used for primary and secondary tuning. The right knob is used for reaction control. This is an early version of the radio. It has removable coils. Later versions have fixed internal coils with two wave length switches at the right of the two tuning knobs. Even later models had two push/pull switches at the bottom of the front. There are three connection points for an antenna in the left side panel. A power cord, earth, and a speaker can be connected at the rear.
The metal version of this radio was introduced at the Trade Fair, September 4-13, 1928 in Utrecht. In the beginning of 1929, shortly before the Spring Trade Fair, 19-28 February in Utrecht, a wooden version was announced. A Sterling 75 loudspeaker was recommended for both models.
The original price was f 215,-. The price of the later released wooden model was f 225,-.
The logo with a transmitting radio aerial was used by Erres Radio in 1927 and 1928.
Data Valves  
Serial number: 12103
Produced: ± 900
Dimensions (h×w×d): 26 x 49.5 x 22 cm
Made in: 1928
Purchased in: 2013
Voltage: 220 V ~
   

Click on a valve for more information

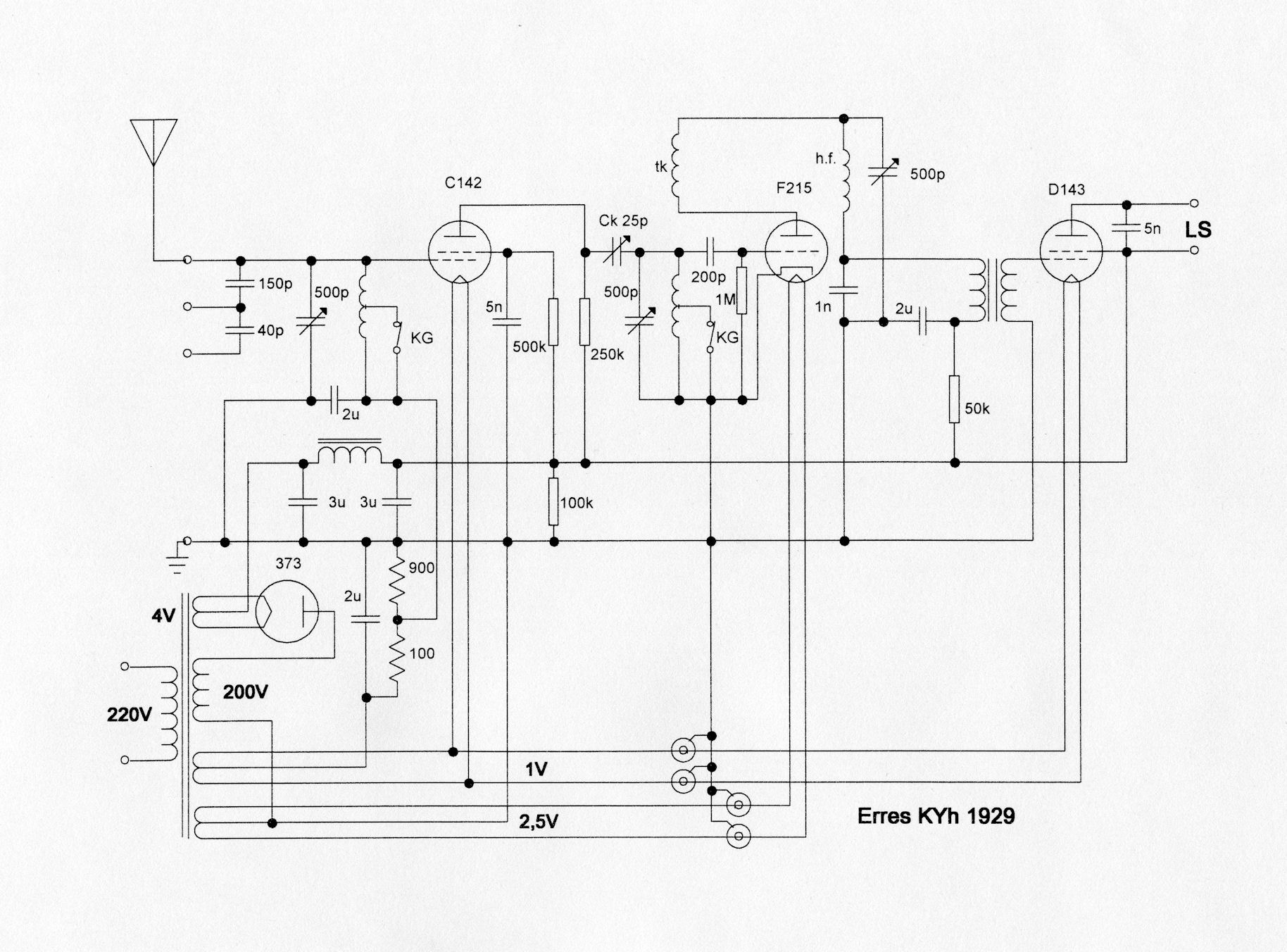
Circuit

What was broadcast in 1928?

 

Listen to "Blue Bird Sing Me A Song", by Jay Whidden and his Orchestra, recorded August 16, 1928

Top view

Advertisement in "Het Centrum", November 26th, 1928

Erres KY Circuit, drawn on August 14, 1928

Erres KY setup parts, drawn on August 10, 1928
Advertisement for the metal version of the Erres KY in VPRO-Gids, November 3rd, 1928 Advertisement for the metal version of the Erres KY in Nieuwsblad van het Noorden, December 14th, 1928

Deze pagina is voor het laatst bijgewerkt op zaterdag 27 april 2019