Console radio

Oak cabinet with electrodynamic loudspeaker, design by Otto van Tussenbroek. Made by Van der Heem & Bloemsma, The Hague. The radio was introduced at the Autumn Trade Fair in Utrecht in September 1932. Part of the cabinet was restored by furniture restorer Ruben Spelbos, Utrecht. The DC version of the radio, the KY119, is pictured below.
The original price was fl 220,-. The radio was sold in Belgium by Stokvis-Radio as "Mervo". Price: BFr 3850,-
Data Valves  
Serial number 70342
Chassis number: 001899
Produced: ± 800
Dimensions (w×h×d): 45 × 90,3 × 20,3 cm
Made in: 1932/1933
Purchased in: 2007
Voltage: 220 V
   
Click on a valve for more information

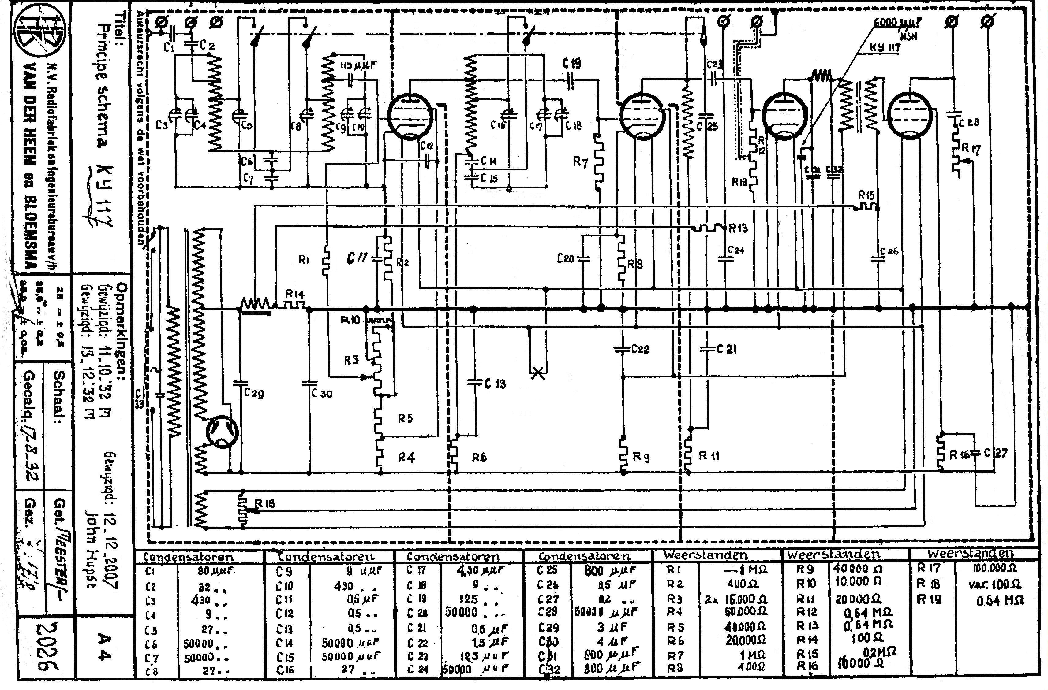
Circuit

What was broadcast in 1932?

 

Listen to "Black Heaven", by The Ramblers Dance Orchestra, recorded in Chenil Gallaries, London, November 8, 1932

Back
Chassis
A look inside
The electrodynamic loudspeaker.
A Philips 2158. Diameter 21.5 cm.
The DC version: the KY119 (Collection of Frans J.J. Driessens)
Announcement of the Erres KY117 in Radio Expres September 9th, 1932
  Advertisement for the Erres KY117 in Radio Expres, October 24th, 1932
The Erres KY117 (picture from an advertising leaflet, 1932)

Deze pagina is voor het laatst bijgewerkt op zondag 27 september 2020