Three valve (+ rectifier) AC receiver
In oak cabinet with bakelite knobs and black aluminium front. The design was by van Otto van Tussenbroek; this radio was his first design for Erres. The receiver was made by Van der Heem & Bloemsma in The Hague. Knobs for primary and secondary tuning are situated on the left and right; reaction control in the middle. Push-pull switches below the tuning knobs are used to switch from medium to long wave. A knob for volume control is located on the left hand side.
The receiver was briefly mentioned in Radio Expres, September 13th, 1929. "van Sussenbroek" is a corruption of the family name of designer "van Tussenbroek".
This is an early version of the receiver. It has no HF separating plate.
The radio was introduced in 1929. It was first shown, together with  the four-valve KY104 and the radio-gramophones 203 and 204, at the Jaarbeurs Autumn Trade Fair, that was held from September 3rd until September 12th, 1929. The price of the radio was Hfl 230,-
Data Valves  
Serial number: 18611
Produced: ± 700
Dimensions (h×w×d): 25 × 44 × 22 cm
Made in: 1929
Purchasedin: 2011
Voltage: 220 volt ~
   

Click on a valve for more information

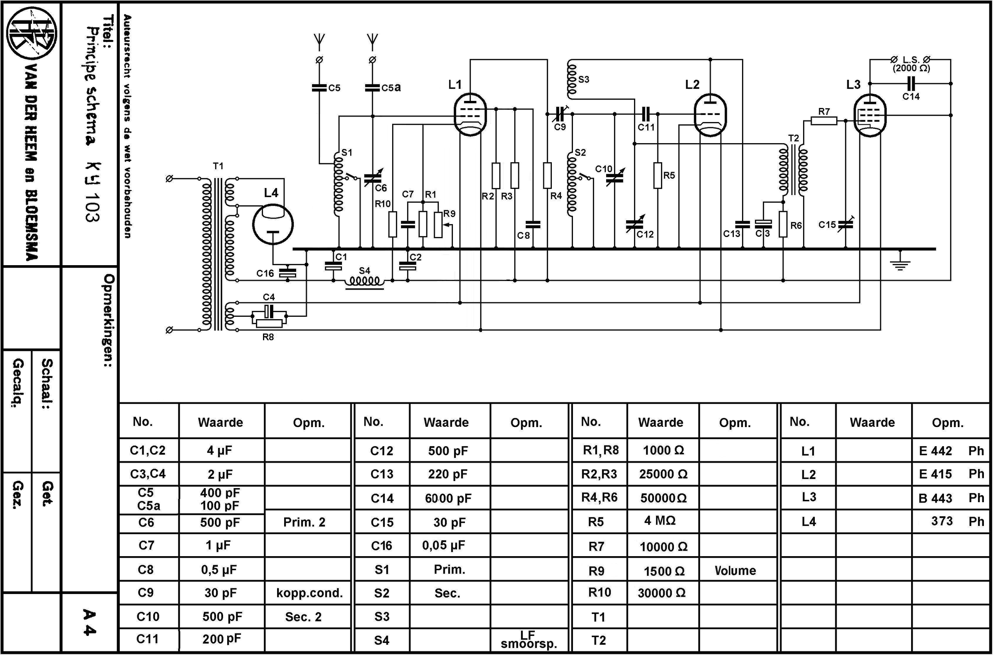
Circuit

What was broadcast in 1929?

 

Listen to "Hallo, mannetje van de radio", sung by Kees Pruis and Stella Seemer, recorded in 1929

Back, with closed back panel. The panel was restored by Rubens Spelbos, using a piece of old oak.
Back with opened back panel
Under-chassis view
The assembly room of Van der Heem in Stortenbekerstraat. Workers are assembling the Erres KY103
Advertisement for the Erres KY103 in radio guide "AVRO Bode", September 29, 1929... ... and in newspaper Algemeen Handelsblad of January 10, 1930

This page was lat edited on 2019-04-27